
您當前位置:
網站首頁 >
產品展示 > 防水透氣閥 > 螺紋式防水透氣閥 > 金屬件螺紋式防水透氣閥HA-5A
產品展示
聯系我們
公司電話:18909188083
E-mail:sales@hoanindustry.com
地址:西安市高新區錦業二路里花南路信凱大廈7層

掃一掃關注我們
HA-5A
金屬件螺紋式防水透氣閥是一款采用金屬材質內嵌入微孔e-PTFE膜材制成的一款微型金屬件螺紋式防水透氣閥,耐高溫及防腐蝕和不易被氧化等特點,安裝方式簡便,應用范圍廣泛。應用于化工及變速器系統、照明、戶外通信設備等領域。
產品實現良好的防水性能,離開液體恢復透氣,保持氣壓平衡,避免膨脹氣體攻擊薄弱環節,防止出現開縫及變形的情況,延長殼體壽命。保持濕度平衡,排放潮氣,緩解結霧和結露,保護殼內部件,延長殼部件壽命,防止鹽、水進入內部。
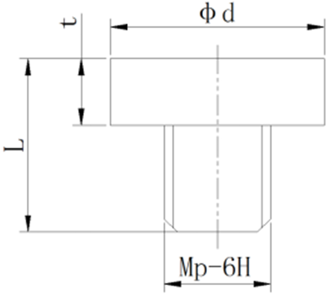
一、尺寸
表1 防水透氣閥編號及尺寸
|
編號(圖號) |
L(mm) |
t(mm) |
d(mm) |
Mp(mm) |
|
HA-5A |
7.5 |
3.6 |
9 |
M5×0.8 |
圖1 防水透氣閥外形尺寸
二、系列特點
該產品結構簡單,適用于中小型設備。該產品的M5螺紋也是常用螺紋。
三、產品性能
l 透氣量ml/min(△p=1Kpa)≥3
l 防護等級IP68
l 阻水壓力>-12Kpa
l 溫度范圍-40~125℃